Seite 1 von 1
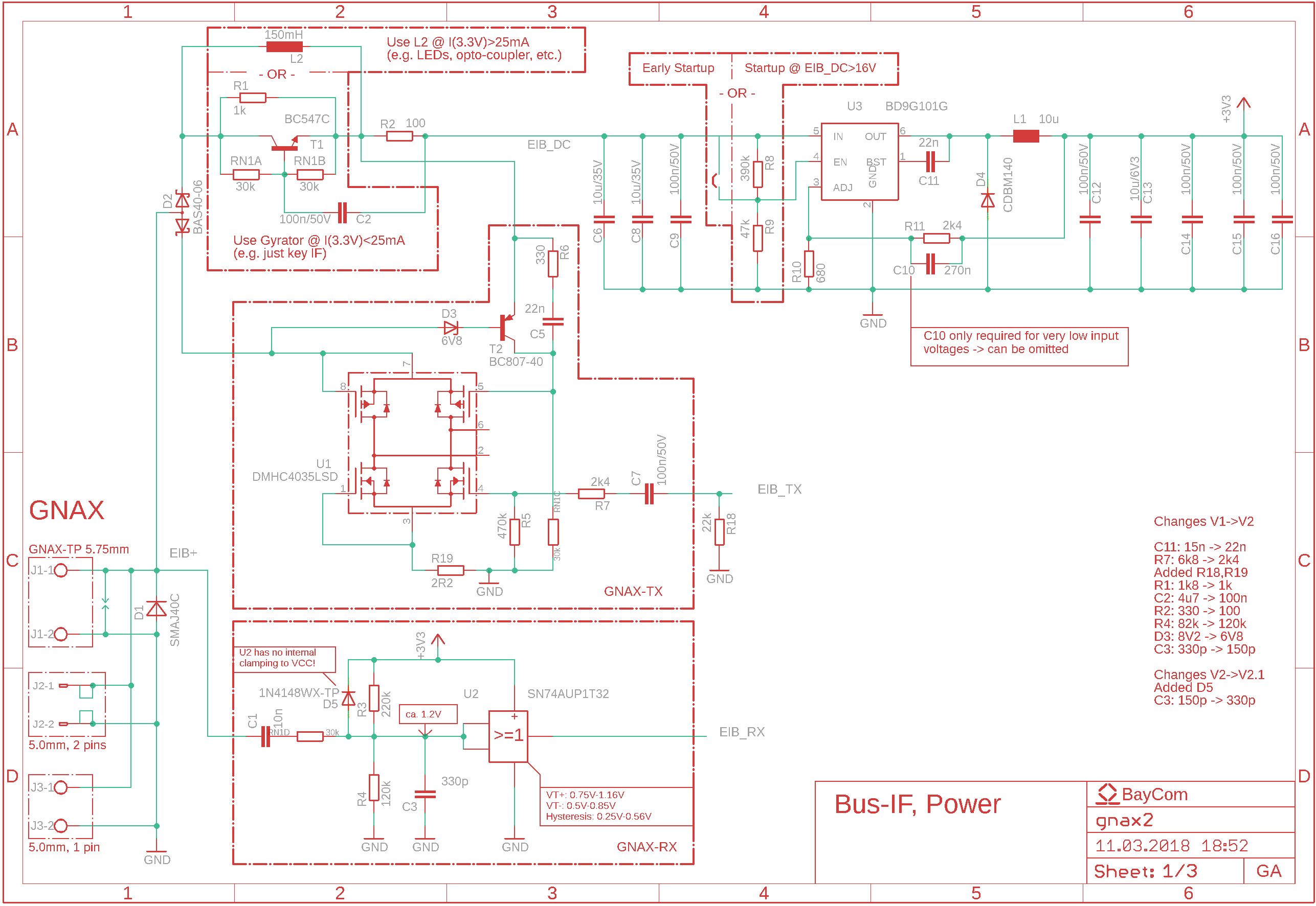
Funktion der 150mH Induktivität - Alternativen?
Verfasst: 24. Apr 2019, 11:44
von Doumanix
Servus zusammen,
vielleicht könnten die in Elektronik besser bewanderten diese Fragen beantworten: welche Aufgabe(n) erfüllt die in den SB Schaltungen standardmässig genutzte stehende Induktivität?
Muss die jetzt auch auf den grösstenteils nur mit SMD Bauteilen bestückten Controllern auch wirklich so groß sein?
Und müssen es dann genau 150mH sein oder gingen bspw auch 82mH?
Gäbs ggf. kleinere Alternativen?
Grüße
Christian
Re: Funktion der 150mH Induktivität - Alternativen?
Verfasst: 4. Mai 2019, 13:53
von oldcoolman
150mH sind schon grenzwertig, besser wäre eine größere Induktivität. Es gab viele Überlegungen und Anstrengungen, diesen fetten Brocken gegen ein paar Winzlinge zu ersetzen. Es gelang aber nicht, und wenn überhaupt war der Platz auf der Platine um einiges größer. Die Nachteile überwogen.
Ich schreib das hier mal aus dem Kopf heraus...:
- Die Spule sorgt für eine Entkopplung des DC vom AC Anteil des Stromes.
Bei steigender Spannung soll der Strom langsam ansteigen.(Dies wäre mit einem Gyrator noch machbar) - Bei einer empfangenen '0' sollte sie dafür sorgen dass der Strom weiterhin fließt.
Der 2. Punkt macht Kopfzerbrechen. Man kann einen Gyrator bauen, dessen Arbeitspunkt ca 10V unter der Gleichspannung einstellen, dann kann beim empfangen einer 0 einen Hub bis zu 10V ausgleichen und der Strom bleibt konstant. Hört sich gut an, nur hat man dann einen Energieverlust von 10V*i das sind 30%, also eher nicht hinnehmbar. Eine andere Lösung war ein bypass zu bauen,der bei empfang einer 0 einen Strom fließen läßt. Der Wert des Stromes müßte aber in einem C gespeichert werden, diverse Versuche mit Stromspiegel usw scheiterten. Bypassschaltungen neigten zum Oszillieren usw.
Re: Funktion der 150mH Induktivität - Alternativen?
Verfasst: 4. Mai 2019, 23:19
von Doumanix
Hi Andreas,
ok, ich denke, ich habs verstanden. Nochmal mit meinen Worten:
1. schützt sie die Schaltung vor Stromspitzen
2. lässt sie den Prozessor weiterlaufen, auch wenn über den Bus eine 0 gesendet wird. Ohne Spule würde zu wenig Strom fließen und der Prozessor ohne Saft einbrechen.
Sollte ich nicht überrissen haben bitte widersprechen.
Grüße
Christian
Re: Funktion der 150mH Induktivität - Alternativen?
Verfasst: 2. Nov 2019, 00:28
von Doumanix
Servus zusammen,
nachdem mich Olli mit der Nase drauf gestoßen hat, möchte ich das Thema nochmal aufgreifen und erweitern.
Immer wieder kommt ja die Frage auf, ob es nicht eine andere Lösung zur Anbindung des Busses gäbe.
Zum Beispiel hab ich diesen Thread im Kopf: geraete-dev-f6/simpler-bus-coupling-design-t483.html , aber auch der Beitrag bauteile-schaltungen-f15/knx-transceiver-von-stmicroelectronics-t468.html fällt ja im Grunde unter das Thema.
@Andreas: ich habe verstanden, dass ihr das Thema ja mehrfach diskutiert hattet. Kennst du den "
Controller LPC1115 IO16_UP"?
Fällt die dort verwendete Alternative unter deinen Punkt 2?
Die Schaltung enthält einen Gyrator für Fälle, wenn sehr wenig Strom benötigt wird. Das wäre also m.E. eine Alternative für das Eingangsmodul, oder? (mal ganz abgesehen davon, dass die ganze Schaltung eine Alternative zum Eingangsmodul ist)
Gruß
Christian

- alternative Busanbindung.png (79.01 KiB) 15204 mal betrachtet
Re: Funktion der 150mH Induktivität - Alternativen?
Verfasst: 24. Mär 2020, 10:31
von Doumanix
Ich hab immer noch Fragen zu Drossel
1. wie kritisch ist es, wenn man (durch Bauteilstreuungen) nicht ganz die 150mH erreicht? Es gibt ja zum Beispiel von der Standard-Selfbus-Drossel eine Variant mit 10% Streuung. Habe ich mal gekauft und manche haben da tatsächlich nur 142mH oder 141mH. Ich denke, das sollte aber kein großes Problem darstellen, oder?
2. Wenn gilt: "mehr ist besser", wäre es dann denkbar, dass man zwei 100mH Drosseln hintereinander baut? Wie die:
https://www.mouser.de/ProductDetail/Bou ... eb4zEo8%3D
Einfach mal so als Hypothese ... denn es scheint relativ kleine 100mH SPulen zu geben, die in Summe immer noch kleiner scheinen als die große 150mH Spule.